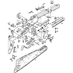
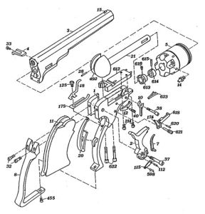
Parts

Notice:
There is a $10.00 minimum order on all parts (plus tax and shipping).
In stock orders will ship within 4-5 working days.
Shipping Charges: Small parts under 13 ounces that can safely ship in a padded envelope will ship first class for $6.50. Parts over 13 ounces will ship priority mail for $10.00. Priority mail on a small parts shipment it is available for the $10.00 rate, please ask for it in the comment section of the order. UPS may be used at our discretion in certain situations.








































