Part # 68     Forend Finished     870068

Part # 68 Forend Finished 870068

Part # 92     Right Lever Spring     870092

Part # 92 Right Lever Spring 870092

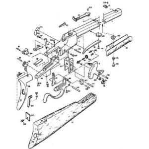
Part # 79 Extractor .45/70 870079

Part # 79 Extractor .45/70 870079
$54.25
SKU
870079
Part # 79 Extractor .45/70 870079
We found other products you might like!