Dragoon I Parts

Dragoon I Parts

Pocket Police Parts

Pocket Police Parts

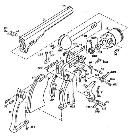
Patterson Parts

Shipping charges will be adjusted at the order desk. Small parts under 13 ounces that can safely ship in a padded envelope will ship first class for $6.00. Parts over 13 ounces will ship priority mail for $9.00. Oversized items will be 15.00 for priority or may be shipped UPS at our discretion. If this is the case you will be emailed with a shipping cost update.

From $1.25

To $1,923.25

In stock

SKU
BUNDLE-PATTERSON
Customize Patterson Parts

* Required Fields

Your Customization
Patterson Parts
Patterson Parts

In stock

$1.25

Summary
    Patterson Parts